| Autor | Nachricht |
C-T Lehrling
 
Dabei seit: 19.01.2025
Beiträge: 19
Auto: Opel Calibra C20NE
|
Geschrieben: 27.08.2025 - 08:31 |
|
Ich bin gerade dabei, auf das Vectra 2000 LCD umzurüsten. Ich habe keinen Bordcomputer (nur die analoge Uhr), und ich finde den Stecker für den Bordcomputer nicht. Ich habe die Heizungsbedienung ausgebaut, um dahinter nachzusehen, aber ich glaube, ich habe diesen Stecker nicht. Oder hat jeder Calibra diesen Stecker standardmäßig?
Wo soll ich X56-13, X56-14 und X56-19 anschließen? X56-24 habe ich bereits an 30 angeschlossen. |
_________________ 🇳🇱 🧀 Wo 130 km/h 🐌
schon Höchstgeschwindigkeit sind,
genügen acht Ventile. |
|
|
 |
|
Geschrieben: |
|
Hallo Besucher,
wir freuen uns, Dich wieder hier begrüßen zu dürfen.
Möchtest Du Calibra-Team.de uneingeschränkt und ohne dieses kleine Werbebild nutzen, benötigst du einen
Account. Die Anmeldung/Registrierung ist völlig
kostenlos. Nach erfolgtem Login
verschwindet diese Meldung automatisch.
Registrieren -
Login
|
| |
|
| |
 |
C-T Großmeister
 
Dabei seit: 05.09.2006 Alter: 46
Beiträge: 2020
Danke-Klicks: 170
Wohnort: D-16227
Auto: C20LET / GTX2867 läuft Auszeichnungen: 3
|
Geschrieben: 27.08.2025 - 13:40 |
|
Einfach am Diagnosestecker kucken ob Pin D belegt ist. Wenn nein, dann keine Vorrüstung des BC. |
_________________ Dipl.-Ing. Fahrzeugtechnik |
|
|
|
1 Danke-Klick für diesen Beitrag
nur_ein_8v (27.08.25) dankte nr1ebw für diesen Beitrag!
|
|
 |
C-T Lehrling
  Themenstarter
Dabei seit: 19.01.2025
Beiträge: 19
Auto: Opel Calibra C20NE
|
Geschrieben: 27.08.2025 - 20:01 |
|
Danke, Anschluss D war leer, deshalb wurde auch nichts gefunden. |
| Dateiname: | diagnose.jpeg |
Beschreibung: |
|
| Dateigröße: |
1.94 MB |
| Vollbildaufrufe: |
3 |

|
_________________ 🇳🇱 🧀 Wo 130 km/h 🐌
schon Höchstgeschwindigkeit sind,
genügen acht Ventile. |
|
|
 |
C-T Meister
 
Dabei seit: 03.04.2008
Beiträge: 462
Danke-Klicks: 11
Wohnort: D-45359 Essen
Auto: Opel+Buick+VW+Audi Calibra+Sport-Wagon-Golf4-100 2.0L NE--5,7-350-4bbL-V5-2-0L E Auszeichnungen: 2
|
Geschrieben: 27.08.2025 - 22:16 |
|
Hallo,
welcher Port ist denn Anschluss D??
Kann man auf dem Bild leider nicht erkennen.
Muss dann bei mir mal nachsehen,ob der Anschluss belegt ist. |
| |
|
|
 |
Foren-Team
 
Dabei seit: 13.10.2006
Beiträge: 12756
Danke-Klicks: 336
Wohnort: D-56357 Gemmerich
Auto: 1 Calibra, 1 Astra Cabrio, 1 Signum C20LET, Z22SE, Z20NET Auszeichnungen: 1
|
Geschrieben: 27.08.2025 - 22:28 |
|
Das D ist auf dem Stecker ablesbar. Ansonsten im DIY unter Elektrik > Fehlercodes auslesen
Da ist ein Bild mit der Pinbelegung.
MfG
sollddie2000 |
_________________ Man kann vielleicht alles essen, aber nicht alles wissen
DON´T FEED THE TROLL!!
Meine Teileliste, aktualisiert 24.11.2020 Hier klicken!
ECD: Hier anmelden! |
|
|
 |
C-T Lehrling
  Themenstarter
Dabei seit: 19.01.2025
Beiträge: 19
Auto: Opel Calibra C20NE
|
Geschrieben: 28.08.2025 - 18:59 |
|
|
|
 |
C-T Lehrling
  Themenstarter
Dabei seit: 19.01.2025
Beiträge: 19
Auto: Opel Calibra C20NE
|
Geschrieben: Heute um 15:37 |
|
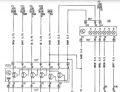
Alles funktioniert endlich, bis auf eine Sache noch.
Meine Bremslicht-Kontrollleuchte bleibt an, es wäre schön, wenn diese ausgehen würde.
Wichtig: mein Calibra ist ohne Check-Control ausgestattet!
Hier in der Anleitung ist Pin 10 nicht belegt. Ich habe im Netz eine andere Pinbelegung gefunden, in der angegeben wird:
- X57/10 = Eingang Bremslicht
- X57/11 = Eingang Bremslichtschalter
Laut Schaltplan sind jedoch beide keine Eingänge.
- Ausgang Check-Control Bremslicht (X17-2)
- Ausgang Bremslichtschalter (schwarz/gelb)
Und hier in der Anleitung schaltet das Relais die X57-11 von Plus auf offen. Die anderen sagen wiederum, dass X57-10 offen bleiben muss.
Vielleicht kann mir jemand sagen, was ich mit X57-10 und X57-11 machen soll. |
| Dateiname: | 2.png |
Beschreibung: |
|
| Dateigröße: |
46.57 KB |
| Vollbildaufrufe: |
0 |

|
| Dateiname: | 1.png |
Beschreibung: |
|
| Dateigröße: |
431.68 KB |
| Vollbildaufrufe: |
0 |

|
| Dateiname: | 3.png |
Beschreibung: |
|
| Dateigröße: |
1021.04 KB |
| Vollbildaufrufe: |
0 |

|
|
|
|
 |
|
|