| Autor | Nachricht |
C-T Meister
 
Dabei seit: 07.04.2005
Beiträge: 266
Wohnort: D-40489 Düsseldorf
Auto: Opel Calli C20LET
|
Geschrieben: 28.03.2009 - 15:12 |
|
Und der Name der Firma?
Wenn ich erinnern darf
Mfg  |
| |
|
|
 |
|
Geschrieben: |
|
Hallo Besucher,
wir freuen uns, Dich wieder hier begrüßen zu dürfen.
Möchtest Du Calibra-Team.de uneingeschränkt und ohne dieses kleine Werbebild nutzen, benötigst du einen
Account. Die Anmeldung/Registrierung ist völlig
kostenlos. Nach erfolgtem Login
verschwindet diese Meldung automatisch.
Registrieren -
Login
|
| |
|
| |
 |
C-T Experte
  Themenstarter
Dabei seit: 10.09.2008
Beiträge: 651
Wohnort: CH-4460 Gelterkinden
Auto: Opel Calibra 2.0 16V Vauxhall Cliff Swiss Edition C20XE
|
Geschrieben: 28.03.2009 - 15:34 |
|
Firma Autometer AG in der Schweiz. Spezialist für Tachos, usw.
Als privater Kunde weiss ich aber nicht ob du was bekommst, die arbeiten glaube ich nur für Firmenkunden. |
_________________ Meine bisherigen Opelz:
Manta B GT/E 2.0 1976 mit Manzel Bodykit, Flipflap Lackierung 1995- 1997
Astra G Sport 2,2 16V "Raceline" ,Schwarz/Starsilber mit Race- Line Spoiler2001 - 2004
Astra G Caravan 1.6 16V Casablanca- Weiss 2004 - 2005
Astra H 1,8 16V Caravan, Lichtgrau 2005 -
Calibra 2.0 16V XE 1990 70000 km aus 1. Hand 2008 -
http://calibra.cc/gallery.php?id=2787 |
|
|
 |
C-T Lehrling
 
Dabei seit: 19.01.2025
Beiträge: 19
Auto: Opel Calibra C20NE
|
Geschrieben: 04.09.2025 - 15:06 |
|
| Zitat: |
Calibra mit original Check Control
Der Pin 6, wird wie beim System ohne CC auf Masse gelegt. Pin 11 wird ebenfalls auf die 12V Leitung des Bremslichtschalters gelegt. Pin 10 muss ebenfalls offen bleiben...
|
Ich habe kein Check Control und keine Glühlampenkontrolle. Deshalb habe ich PIN 11 auf Masse gelegt. Die Bremslichtkontrollleuchte bleibt jedoch dauerhaft an. Jetz wollte ich das Signal von dem Bremslichtschalter abgreifen.
Soweit ich es verstanden habe, leuchtet die Kontrolllampe bei eingeschalteter Zündung, wenn man Check Control hat, und erlischt erst, wenn man einmal das Bremspedal betätigt. In diesem Fall wäre es doch logischer, den Anschluss hinter dem Bremslichtschalter zu machen – denn davor liegt ständig 12 V an.
Im Stromlaufplan sehe ich, dass das Signal auf beiden Seiten zur Check Control (CC) führt und nur auf der Versorgungsseite zum Instrument geht.
Wo soll ich anschließen – vor oder hinter dem Schalter?  |
| Dateiname: | Schaltplan Licht.jpeg |
Beschreibung: |
|
| Dateigröße: |
3.1 MB |
| Vollbildaufrufe: |
3 |

|
_________________ 🇳🇱 🧀 Wo 130 km/h 🐌
schon Höchstgeschwindigkeit sind,
genügen acht Ventile.
Zuletzt bearbeitet von nur_ein_8v am 04.09.2025 - 18:22, insgesamt 1-mal bearbeitet |
|
|
 |
C-T Großmeister
 
Dabei seit: 05.09.2006 Alter: 46
Beiträge: 2020
Danke-Klicks: 170
Wohnort: D-16227
Auto: C20LET / GTX2867 läuft Auszeichnungen: 3
|
Geschrieben: 04.09.2025 - 16:19 |
|
| Achtventiler hat folgendes geschrieben: |
... Wo soll ich anschließen – vor oder hinter dem Schalter?  |
An das CC Steuergerät Stecker X20 Pin 24 |
_________________ Dipl.-Ing. Fahrzeugtechnik |
|
|
|
1 Danke-Klick für diesen Beitrag
nur_ein_8v (04.09.25) dankte nr1ebw für diesen Beitrag!
|
|
 |
C-T Lehrling
 
Dabei seit: 19.01.2025
Beiträge: 19
Auto: Opel Calibra C20NE
|
Geschrieben: 04.09.2025 - 18:13 |
|
@nr1ebw ich habe einen Vectra 2000 LCD und kein Check-Control oder eine Glühlampenüberwachung im Auto. |
_________________ 🇳🇱 🧀 Wo 130 km/h 🐌
schon Höchstgeschwindigkeit sind,
genügen acht Ventile. |
|
|
 |
C-T Lehrling
 
Dabei seit: 19.01.2025
Beiträge: 19
Auto: Opel Calibra C20NE
|
Geschrieben: 04.09.2025 - 18:33 |
|
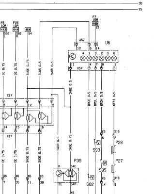
Ich habe es gefunden: X57-11 geht zu X17-12, und dieser geht weiter zu 54, was im nächsten Stromlaufplan die Brücke zum S8, dem Bremslichtschalter, bildet. |
| Dateiname: | Schaltplan Beleuchtung.jpeg |
Beschreibung: |
|
| Dateigröße: |
3.1 MB |
| Vollbildaufrufe: |
1 |

|
_________________ 🇳🇱 🧀 Wo 130 km/h 🐌
schon Höchstgeschwindigkeit sind,
genügen acht Ventile. |
|
|
 |
C-T Lehrling
 
Dabei seit: 19.01.2025
Beiträge: 19
Auto: Opel Calibra C20NE
|
Geschrieben: 29.12.2025 - 20:58 |
|
| Zitat: |
| ... Der Pin 6, wird wie beim System ohne CC auf Masse gelegt. Pin 11 wird ebenfalls auf die 12V Leitung des Bremslichtschalters gelegt. Pin 10 muss ebenfalls offen bleiben. Nach dem Starten läuft unser System wieder fast einwandfrei. Einziger Haken: Die Abblend- und Schlusslichtkontrolle funktioniert nicht mehr. |
Ich habe alles so angeschlossen, aber die Bremslicht-Kontrollleuchte bleibt an.
Ist die Beschreibung hier falsch?
Muss ich Pin 10 an den 12-V-Bremslichtschalter anschließen, Pin 11 offen lassen und Pin 6 auf Masse legen? |
| Dateiname: | schaltplan.png |
Beschreibung: |
|
| Dateigröße: |
216.17 KB |
| Vollbildaufrufe: |
2 |

|
_________________ 🇳🇱 🧀 Wo 130 km/h 🐌
schon Höchstgeschwindigkeit sind,
genügen acht Ventile. |
|
|
 |
C-T Kenner

Dabei seit: 07.12.2012
Beiträge: 53
Danke-Klicks: 10
Auto: Opel Calibra
|
Geschrieben: 30.12.2025 - 20:42 |
|
Probier mal PIN 11 auf Masse. Ich meine, das müsste bei meinem MID so funktioniert haben.
Damit wird zwar die Kontrollfunktion umgangen, aber es leuchtet auch keine Leuchte mehr im Instrument. Wenn damit leben kannst... |
| |
|
|
|
1 Danke-Klick für diesen Beitrag
nur_ein_8v (02.01.26) dankte work242 für diesen Beitrag!
|
|
 |
C-T Lehrling
 
Dabei seit: 19.01.2025
Beiträge: 19
Auto: Opel Calibra C20NE
|
Geschrieben: 01.01.2026 - 19:03 |
|
Die Funktion ist mir egal, Hauptsache die Lampe ist während der Fahrt aus. Ich werde es mal testen, ich glaube, ich verstehe den Stromlaufplan jetzt ein bisschen besser. |
_________________ 🇳🇱 🧀 Wo 130 km/h 🐌
schon Höchstgeschwindigkeit sind,
genügen acht Ventile. |
|
|
 |
|
|